Стартер редукторний призначений для гарантованого запуску двигунів комбайнів СК-5 "Нива", Дон-1500Б/1500А, з двигунами СМД-14, СМД-15, СМД-17, СМД-18, СМД-20, СМД-21, СМД-22, СМД-23. Каталожний номер деталі - 243708358. Основні технічні характеристики стартера: - Номінальне напруга: 24 В - Номіналь...
Стартер з редуктором для тракторів виробництва Словаччини "Slovak 12V 3,5 кВт (усиленний)" є надійним і ефективним пристроєм для запуску двигуна трактора. Його переваги полягають у вищій потужності, збільшеному пусковому моменті та покращеній здатності до запуску. Завдяки використанню редуктора, це...
## Каталог запчастин для карданного соединения ### Позиція 1 - **Номер каталогу:** 5744 00.00.00 - **Найменування:** Карданне з'єднання ### Позиція 2 - **Номер каталогу:** 5744 01.00.00 - **Найменування:** Крестовина (у зборі) - **Технічна інформація:** Включає в себе вкладиш підшипника (у зборі) ...
Позиція № Каталогу: 3164 00 00 00 Наіменування: Реверс в зібранні Опис продукту: Реверс в зібранні є важливою частиною механізму, призначеного для зміни напрямку обертання певного пристрою. Цей продукт забезпечує ефективну та безперебійну роботу механічних систем, дозволяючи зручно керувати рухом ...
№ Позиція № у каталозі Найменування 1 6940 00.00.00 Дисковий гальмо 1.1 БДС 55-77 Шплинт 2.5х20 1.2 БДС 206-78 Шайба 2 6940 00.00.06 Вісь 3 6940 05.00.00 Основа (у зборі) 3.1 БДС 744-72/5 Гайка М -5 3.2 БДС 1230-85 Болт I Г х20-4.6 3.3 БДС 3048-78 Вісь 8х25 3.4 БДС 55-77 Шплинт 2x12 3.5 БДС 206-78 Ш...
Позиція в каталозі: №9 Наіменування: Підйомний механізм Механічне обладнання, представлене на рис. 1, складається з таких компонентів: 1. Ролик 2. Кришка 3. Шайба 4. Підшипник ігольчастий 5. Втулка 6. БДС 1232-86 7. Болт 1М 3х22-5,6 8. БДС 833-82 9. Шайба 2-8Н8 10. БДС 833-82 11. Шайба 2-9 12. БД...
Номер позиції в каталозі | Найменування | Технічна інформація 1. 1784.33.20 04.00.00 | Подвеска двигуна | - Гайка M8-L2 згідно з БДС 744-83 - Шайба 2-8Н згідно з БДС 833-82 - Шайба M8 згідно з БДС 14494-78 2. 1784.33 07.00.17-01 | Опора | - Болт .Px20-S.66 згідно з БДС 1230-85 3. 17...
**Технічний опис продукту: Дроссель регульований з зворотним клапаном ДРОК-121** Унікальний дроссель ДРОК-121, зазначений під № 5791 00.00 у каталозі, є ефективним регулятором потоку рідини або газу у системах трубопроводів. Цей продукт оснащений обертовим клапаном для забезпечення простого і точно...
Позиція № в каталозі: 12670 00.00.00 Наіменування: Гідравлічний розподільник з ручним управлінням РХ80 2ВАА-11-111 Гідравлічний розподільник з ручним управлінням РХ80 2ВАА-11-111 є високоякісним пристроєм, призначеним для регулювання та контролю робочого тиску в системах гідравлічного устаткування....
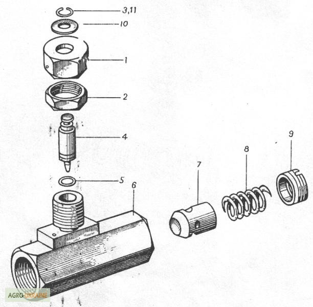
### Технічний опис продуктів в каталозі № позиції | Номер в каталозі | Найменування ---|---|--- 1 | 5752 00 | Дроссель нерегульований ДН161 2 | 5752 01 | Корпус 2 3 | 5752 02 | Дросселіруючий клапан 4 | 5751 03 | Пружина 5 | 5751 04 | Гайка спеціальна У каталозі представлено ряд технічних компонен...
**Технічний опис плунжерних циліндрів для очистки нафти** Унікальна технічна специфікація плунжерних циліндрів для очищення нафти надає надзвичайну ефективність та надійність у процесі очищення. Дані циліндри виготовлені з високоякісних матеріалів, що гарантує їх тривалу роботу та відмінну продукти...
Позиція №: 1 Каталожний номер: 2 pos. 9 Назва: Підйомний пристрій Стандарт: БДС 2170-77 Компоненти: 1. Кільце В4521784.33 06.00.10 2. Шайба31784.33 06.00.02 3. Ролик INA К 55х63х20 4. Підшипник игольчатий INA IR 45х55х40 5. Втулка БДС 1366-84 6. Винт I M12x25-4S-8.8 7. Шайба 2-12H81784.33 06.05.00 ...
№ Позиція № у каталозі Назва Технічний опис 1 6825 00.00.00-03 Поршневий спеціальний циліндр ЦБС 63х1301 ОН-04 58953-73 Маслосмоктальне кільце Е252 16825 00.00.03 Гайка 316825 02.00.01-03 Шток поршневого циліндра 4 БДС 12420-83 Ущільнення K28x25x36 ОН-02 52658-71 O-кільце 57х36 16825 00.00.07 Затвір...
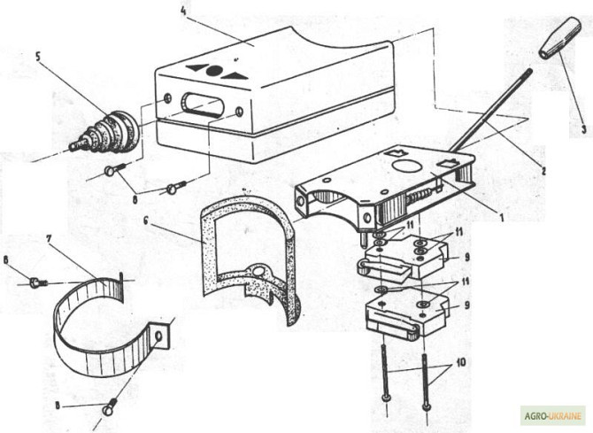
## Каталог ручного тормозу для транспортних засобів ### № Позиції | № по каталогу | Найменування | |---------------|------------------------| | 5743 00.00.00 | Ручний тормоз | | 5743 00.00.09 | Рукоятка | | 5743 00.00.04 | Наконечник верхній | | 5743 00.00.05 | ...
Технічний опис продукту: **Позиція №6027 00.00.00** - **Найменування:** Колесо - **Стандарт:** СИВ 1246-78 - **Характеристики:** Розмір 6,50-10 - **Складові:** 1. Покришка за стандартом БДС 3917-83 2. Камера за стандартом БДС 5404-74 3. Кришка за стандартом БДС 3782-83 4. Ігла вентиля з...
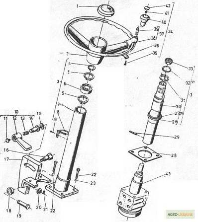
Унікальний артикул продукту: № Позиції 8158.3 00.00.00 Назва продукту: Рульова колонка Пропонуємо вам ознайомитися з технічними характеристиками продукту: - Кольцо за стандартом БДС 2170-77 діаметром 255 мм - Кольцо за стандартом БДС 2170-75 типу А4 - Підшипник за стандартом БДС 4884-78, модель 8...
**Технічний каталог деталей для автомобільної трансмісії** | № Позиції | № по каталогу | Найменування | |---------|---------------|------------| | 1 | 6198.10 02.00.00 | Головна передача | | 2 | 6199.10 02.00.00 | Головна передача | | 3 | 6198 02.02.00 | Корпус з кришками | | 4 | БДС 1272-83 | Гайк...
**Технічний опис ведучого моста для автомобілів** У даному технічному описі ми розглянемо деталізовану інформацію про ведучий міст, який використовується в автомобільній техніці. Ведучий міст є однією з ключових складових частин автомобільної трансмісії, від якої залежить стабільність та привід авт...
Унікальний продукт, що представлений в каталозі під номером 17903.5-4 01.00.00, є ведучим мостом у зібраному вигляді, призначеним для використання у технічних системах. Він має високу міцність та надійність завдяки використанню високоякісних матеріалів. Позиція 16199.10 00.00.00-05 у каталозі пред...
Позиція № Найменування Розмір Стандарт 1 Колесо 8,15-15 БДС 10612-74 2 Покришка 8,15-15 БДС 3917-83 3 Камера 8,15-15 БДС 3782-83 4 Ігла вентиля 4 БДС 5404-74 5 Кришка 5 БДС 11021-82 6 Ободна стрічка 8,15-15 - 7 ...
3
20 670 грн.
доставка з м.Суми
Для будь-якого обприскувача, більше інформації на сайті AGXON.COM
5
19 756 грн.
доставка з м.Суми
Для будь-якого обприскувача, більше інформації на сайті AGXON.COM
5
6 252 грн.
доставка з м.Суми
Для будь-якого обприскувача, більше інформації на сайті AGXON.COM
